产品中心
隔膜型压力表P5500型和P6500型
隔膜型压力表P5500型和P6500型
符合DIN EN 837-3
表盘尺寸:100mm或160mm精度:1.6级(DIN)
产品特点

相关产品
相关产品
联系我们
电话
0756-2127068
邮箱
xlh@system-instruments.com
地址
广东省珠海市香洲区凤山街道沥溪第三工业区格创集城C座5楼
©珠海赛思特仪表设备有限公司
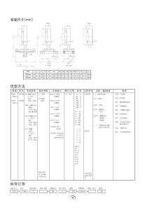
隔膜型压力表P5500型和P6500型
符合DIN EN 837-3
表盘尺寸:100mm或160mm精度:1.6级(DIN)

0756-2127068
xlh@system-instruments.com
广东省珠海市香洲区凤山街道沥溪第三工业区格创集城C座5楼
©珠海赛思特仪表设备有限公司